Zum Hauptinhalt springen

Paliers à plan de joint diamétral :
la base de données du Groupe LFD

Toutes les dimensions et données concernant les paliers à plan de joint diamétral, paliers à semelle, paliers SNL et paliers SD de LFD – la base de données de LFD Wälzlager GmbH.

>>Base de données  >>RETOUR à l'aperçu GAMME DE PRODUITS

Paliers à plan de joint diamétral

Désignation:  
Intérieur Ø:
  
Filtre:
  

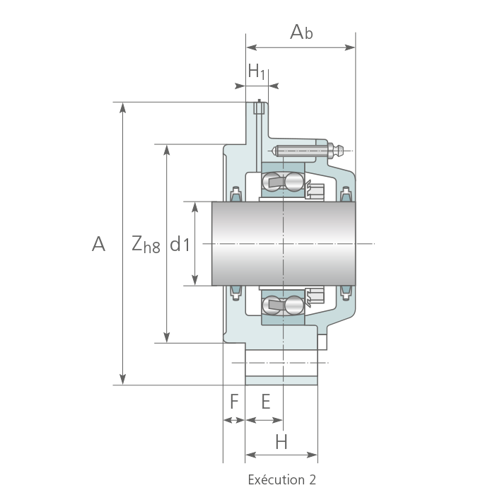
Paliers appliques série TIL 513 K pour roulements à rotule sur billes/rouleaux 2200 k/22200 k + h 300

Bout d’arbre

Arbre traversant

 

Éléments combinables

Poids

Référence

Réf.

d1

Aa

Ab

H

H1

F

E

LK

A

Zh8

S vis

Roulements

Manchons

Lanières en feutre

kg

TIL 509 K A

TIL 509 K B

40

64

64

36

15

12

16,5

132

160

105

16

2209 K - 22209 K

H 309

FS 09

3,35

TIL 511 K A

TIL 511 K B

50

70

70

40

15

12

24,5

150

185

125

18

2211 K - 22211 K

H 311

FS 11

5,00

TIL 512 K A

TIL 512 K B

55

70

70

40

15

12

21,0

160

195

135

18

2212 K - 22212 K

H 312

FS 12

6,00

TIL 513 K A

TIL 513 K B

60

77

77

43

15

14

22,5

170

205

145

18

2213 K - 22213 K

H 313

FS 13

7,10